| عرض عبر شقق لجوز سداسي ، واستخدام البلدان | ||
| عرض | 21 | المملكة المتحدة وكومنولث الأمم |
| عرض | 22 | الولايات المتحدة الأمريكية وألمانيا وبعض دول أوروبان |
| عرض | 23 | أستراليا |
| عرض | 19 | اليابان وكوريا الجنوبية وبعض دول جنوب شرق آسيا |
|
| الترباس ديا. | العرض عبر الشقق | ارتفاع | العرض عبر الشقق | ارتفاع | العرض عبر الشقق | ارتفاع |
| مسدس الجوز | 1/2 ' | S21 | H11 | S22 | H11 | S23 | H11 |
| مسدس الجوز |
| SF21 | H14 | SF22 | H14 | SF23 | H14 |
| مسدس الجوز |
| SF21 | H19 | SF22 | H19 | SF23 | H119 |
| مسدس الجوز |
| S21 | H15 |
|
|
|
|
| مسدس الجوز | M14 | S22 | H11 | S23 | H11 |
|
|
| مسدس الجوز |
| SF22 | H14 | SF23 | H14 |
|
|
| مسدس الجوز |
| SF22 | H19 | SF23 | H119 |
|
|
| مسدس الجوز | M12 | SF19 | H9 |
|
|
|
|
| الجناح الجوز | 1/2 |
|
|
|
|
|
|
|
| ديا. | الطول / طول الترباس فعال | يستخدم |
|
تي بولت | 1/2 | 75-88 | المملكة المتحدة وكومنولث الأمم |
| M14 | 75-87 | الولايات المتحدة الأمريكية وألمانيا وبعض دول أوروبان | |
| M14 | 98-110 | الولايات المتحدة الأمريكية وألمانيا وبعض دول أوروبان | |
|
الترباس العين | 1/2 | 67-86 | المملكة المتحدة وكومنولث الأمم |
| M12 | 57-73 | المملكة المتحدة وكومنولث الأمم | |
| M14 | 70-90 | الولايات المتحدة الأمريكية وألمانيا وبعض دول أوروبان | |
| ترسل الترباس نهاية | 1/2 | 45-82 | ل putlog مقرن ، BRC ، إلخ. |
|
الترباس النقل |
1/2 | 116-125 |
للأنبوب المشبك الخارجي ، المشبك العالمي ، إلخ. |
| 85-92 | |||
| مسدس الترباس | M16 | 72-80 | لمقاومة العارضة ، دبوس مفصل DF |
| شقة t-bolt | 1/2 | 66-76 | للمقانين الإيطاليين |
|
| سماكة | ديا الداخلية / الخارجي. |
|
غسالة | 3.5 | 13-26 |
| 5 | 13-26 |
| مزدوج | دوار مقرنة | ||
| 48.3*34 | 48.3*34 | 34*34 | 34*38 |
| 48.3*38 | 48.3*38 | 38*38 | 38*42 |
| 48.3*42 | 48.3*42 | 42*42 | 42*60 |
| 48.3*48.3 | 48.3*48.3 | - | - |
| 48.3*60 | 48.3*60 | 60*60 | 60*76 |
| 48.3*76 | 48.3*76 | 76*76 | 86*89 |
| - | 48.3*89 | 89*89 | - |
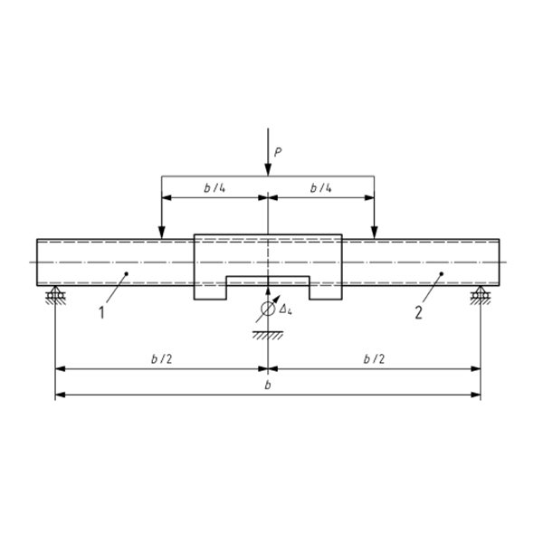
| لا. | اختبار البند | طريقة الاختبار | نتيجة | خاتمة |
| 1 | قوة الانزلاق | EN 74-1: 2022 البند 7.2.1 | انظر النتيجة | يمر |
| 2 | قوة الفشل | EN 74-1: 2022 البند 7.2.2 | انظر النتيجة | يمر |
| 3 | قوة السحب | EN 74-1: 2022 البند 7.3 | انظر النتيجة | يمر |
| 4 | تصلب الانحناء الصليبي والانحناء الصليبي اللحظة النهائية | EN 74-1: 2022 البند 7.4.1 | انظر النتيجة | يمر |
| 5 | لحظة الدوران والصلابة | EN 74-1: 2022 البند 7.4.2 | انظر النتيجة | يمر |
| اختبار البند | نتيجة الاختبار | شرط في EN 74-1: 2022 الجدول 8 | خاتمة |
| قوة الانزلاق | △ 1≤7mm ، FS ، 5 ٪ = 20.9kn | △ 1≤7 مم ، FS ، 5 ٪ ≥10.0kn | يمر |
| 1mm≤ △ 2≤2mm ، FS ، 5 ٪ = 25.0kn | 1mm≤ △ 2≤2mm ، FS ، 5 ٪ ≥15.0kn |
| العينة رقم | FS (kn ، △ 1 = 7mm) | FS (kn ، 1mm≤ △ 2≤2mm) |
| 1 | 22.18 | 26.59 |
| 2 | 23.06 | 26.35 |
| 3 | 21.97 | 25.88 |
| 4 | 23.14 | 27.06 |
| 5 | 22.85 | 26.37 |
| 6 | 22.91 | 27.42 |
| 7 | 24.45 | 28.36 |
| 8 | 23.66 | 27.42 |
| 9 | 21.73 | 25.62 |
| 10 | 21.51 | 26.03 |
| FS ، 5 ٪ | 20.9 | 25.0 |
| اختبار البند | نتيجة الاختبار | شرط في EN 74-1: 2022 الجدول 8 | خاتمة |
| قوة الفشل | FF ، 5 ٪/γR2 = 57.6KN | FF ، 5 ٪/γR2 ≥30.0kn | يمر |
| العينة رقم | FF (KN) |
| 11 | 74.71 |
| 12 | 77.54 |
| 13 | 78.62 |
| 14 | 75.31 |
| 15 | 79.85 |
| FF ، 5 ٪/γR2 | 57.6 |
| اختبار البند | نتيجة الاختبار | الشرط في EN 74-1: 2022 الجدول 8 | خاتمة |
| قوة السحب | FP ، 5 ٪/γR2 = 48.9KN | FP ، 5 ٪/γR2 ≥30.0kn | يمر |
| العينة رقم | FP (KN) |
| 16 | 66.85 |
| 17 | 71.96 |
| 18 | 64.27 |
| 19 | 69.83 |
| 20 | 67.24 |
| FP ، 5 ٪/γR2 | 48.9 |
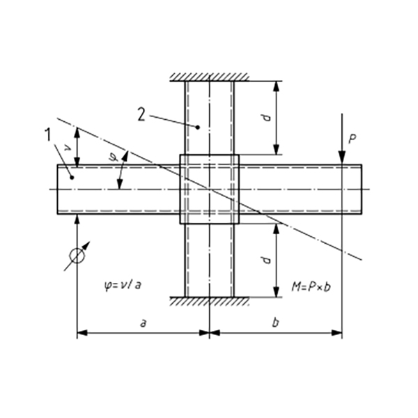
| اختبار البند | نتيجة الاختبار | الشرط في EN 74 1: 2022 الجدول 8 | خاتمة |
| تصلب الانحناء الصليبي والانحناء الصليبي اللحظة النهائية | MB/1.65 = 0.48KNM ، C1 = 28.9KNM/RAD | MB/1.65 = 0.48KNM ، C1≥15.0KNM/RAD | يمر |
| Mb = 0.8knm ، C2 = 7.5knm/rad | MB = 0.8knm ، C2≥6.0KNM/RAD | ||
| mult ، 5 ٪ = 1.6knm | mult ، 5 ٪ ≥1.6knm |
| رقم العينة | C1 (KNM/RAD ، MB/1.65 = ± 0.48knm) | C2+ (KNM/RAD ، MB = 0.8KNM) | C2- (KNM/RAD ، MB = -0.8KNM) | mult (knm) |
| 26 | 29.35 | 8.07 | - | 1.61 |
| 27 | 30.96 | 7.59 | - | 1.63 |
| 28 | 29.75 | 8.45 | - | 1.60 |
| 29 | 31.43 | 8.08 | - | 1.64 |
| 30 | 24.62 | 8.26 | - | 1.62 |
| 31 | 30.72 | - | 6.45 | 1.59 |
| 32 | 30.52 | - | 6.61 | 1.64 |
| 33 | 25.12 | - | 6.73 | 1.60 |
| 34 | 27.19 | - | 7.74 | 1.61 |
| 35 | 31.56 | - | 7.41 | 1.63 |
| - | C1 = 28.9 | C2 = 7.5 | mult ، 5 ٪ = 1.6 | |

| اختبار البند | نتيجة الاختبار | الشرط في EN 74-1: 2022 الجدول 8 | خاتمة |
| لحظة الدوران والصلابة | Mt = ± 0.13knm ، Cφ = 61.5knm/rad | MT = ± 0.13KNM ، Cφ≥7.5KNM/RAD | يمر |
| 1 ° ≤θ≤2 ° ، MT ، 5 ٪ = 0.51knm | 1 ° ≤θ≤2 ° ، MT ، 5 ٪ ≥0.13knm |
| رقم العينة | Cφ (KNM/RAD ، MT = ± 0.13KNM) | MT (KNM ، 1 ° ≤θ≤2 °) |
| 21 | 61.29 | 0.576 |
| 22 | 61.73 | 0.647 |
| 23 | 59.38 | 0.545 |
| 24 | 63.09 | 0.597 |
| 25 | 62.17 | 0.618 |
| - | Cφ = 61.5 | MT ، 5 ٪ = 0.51 |
في ظل الظروف العادية ، من الصعب الوصول إلى درجة B ، لكننا وصلنا
| لا. | اختبار البند | طريقة الاختبار | نتيجة | خاتمة |
| 1 | قوة الانزلاق | EN 74-1: 2022 البند 7.2.1 | انظر النتيجة | يمر |
| 2 | قوة الفشل | EN 74-1: 2022 البند 7.2.2 | انظر النتيجة | يمر |
| اختبار البند | نتيجة الاختبار | شرط في EN 74-1: 2022 الجدول 8 | خاتمة |
| قوة الانزلاق | △ 1≤7 مم ، FS ، 5 ٪ = 10.7kn | △ 1≤7 مم ، FS ، 5 ٪ ≥7.0kn | يمر |
| fs = 20.0kn ، △ 2 <1mm | 1mm≤ △ 2≤2mm ، FS ، 5 ٪ ≥10.0kn |
| العينة رقم | FS (kn ، △ 1 = 7mm) | FS (kn ، 1mm≤ △ 2≤2mm) |
| 1 | 11.81 | fs = 20.0kn ، △ 2 <1mm |
| 2 | 13.47 | fs = 20.0kn ، △ 2 <1mm |
| 3 | 12.53 | fs = 20.0kn ، △ 2 <1mm |
| 4 | 11.04 | fs = 20.0kn ، △ 2 <1mm |
| 5 | 12.58 | fs = 20.0kn ، △ 2 <1mm |
| 6 | 12.39 | fs = 20.0kn ، △ 2 <1mm |
| 7 | 13.07 | fs = 20.0kn ، △ 2 <1mm |
| 8 | 11.21 | fs = 20.0kn ، △ 2 <1mm |
| 9 | 12.62 | fs = 20.0kn ، △ 2 <1mm |
| 10 | 11.87 | fs = 20.0kn ، △ 2 <1mm |
| FS ، 5 ٪ | 10.7 | - |
| اختبار البند | نتيجة الاختبار | الشرط في EN 74-1: 2022 الجدول 8 | خاتمة |
| قوة الفشل | FF ، 5 ٪/γR2 = 39.8kn | FF ، 5 ٪/γR2 ≥14.0kn | يمر |
| العينة رقم | FF (KN) |
| 11 | 52.05 |
| 12 | 57.56 |
| 13 | 54.36 |
| 14 | 57.69 |
| 15 | 57.75 |
| FF ، 5 ٪/γR2 | 39.8 |
| لا. | اختبار البند | طريقة الاختبار | نتيجة | خاتمة |
| 1 | قوة الانزلاق | EN 74-1: 2022 البند 7.2.1 | انظر النتيجة | يمر |
| 2 | لحظة الانحناء | EN 74-1: 2022 البند 7.4.3 | انظر النتيجة | يمر |
| اختبار البند | نتيجة الاختبار | الشرط في EN 74-1: 2022 الجدول 8 | خاتمة |
| قوة الانزلاق | fs = 18.0kn ، △ 2 < 1mm | 1mm≤ △ 2≤2mm ، FS ، 5 ٪ ≥9.0kn | يمر |
| العينة رقم | FS (kn ، 1mm≤ △ 2≤2mm) |
| 1 | fs = 18.0kn ، △ 2 < 1mm |
| 2 | fs = 18.0kn ، △ 2 < 1mm |
| 3 | fs = 18.0kn ، △ 2 < 1mm |
| 4 | fs = 18.0kn ، △ 2 < 1mm |
| 5 | fs = 18.0kn ، △ 2 < 1mm |
| 6 | fs = 18.0kn ، △ 2 < 1mm |
| 7 | fs = 18.0kn ، △ 2 < 1mm |
| 8 | fs = 18.0kn ، △ 2 < 1mm |
| 9 | fs = 18.0kn ، △ 2 < 1mm |
| 10 | fs = 18.0kn ، △ 2 < 1mm |
| FS ، 5 ٪ | - |
| اختبار البند | نتيجة الاختبار | الشرط في EN 74-1: 2022 الجدول 8 | خاتمة |
| لحظة الانحناء | mb = 2.8knm ، كانت العينة غير منقطعة | MB ، 5 ٪ ≥1.4knm | يمر |
| العينة رقم | MB (KNM) |
| 11 | mb = 2.8knm ، كانت العينة غير منقطعة |
| 12 | mb = 2.8knm ، كانت العينة غير منقطعة |
| 13 | mb = 2.8knm ، كانت العينة غير منقطعة |
| 14 | mb = 2.8knm ، كانت العينة غير منقطعة |
| 15 | mb = 2.8knm ، كانت العينة غير منقطعة |
| ميغابايت ، 5 ٪ | mb = 2.8knm ، كانت العينة غير منقطعة |
| لا. | اختبار البند | طريقة الاختبار | نتيجة | خاتمة |
| 1 | انزلاق المقاومة | BS 1139-2.2: 2009+A1: 2015 الفقرة 7.2 & Annex A.2 | انظر النتيجة | يمر |
| اختبار البند | نتيجة الاختبار | الشرط في BS 1139 2.2: 2009+A1: 2015 البند 7.2 | خاتمة |
| انزلاق المقاومة | 1mm≤ △ 2≤2mm ، FS ، 5 ٪ = 1.13kn | 1mm≤ △ 2≤2mm ، FS ، 5 ٪ ≥1.04kn | يمر |
| العينة رقم | P (KN) |
| 1 | 2.69 |
| 2 | 1.75 |
| 3 | 1.51 |
| 4 | 2.47 |
| 5 | 1.93 |
| FS ، 5 ٪ | 1.13 |
| لا. | اختبار البند | طريقة الاختبار | نتيجة | خاتمة |
| 1 | اختبار القوة | AS/NZS 1576.2: 2016 البند 4.7 والملحق L | انظر النتيجة | يمر |
| 2 | اختبار الانزلاق من خلال المشابك الحافة | AS/NZS 1576.2: 2016 البند 4.7 والملحق م | انظر النتيجة | يمر |
| 3 | اختبار الانزلاق من المشابك الحافة على طول شفة | AS/NZS 1576.2: 2016 البند 4.7 والملحق ن | انظر النتيجة | يمر |
| اختبار البند | نتيجة الاختبار | الشرط في AS/NZS 1576.2: 2016 البند 4.7 | خاتمة |
| اختبار القوة | p = 30.0kn ، لم يظهر المشبك الشفة أي مجموعة دائمة | P = 30.0kn ، لا يجب أن تظهر المشبك الشفة أي مجموعة دائمة | يمر |
| اختبار البند | اختبار القوة |
| متطلبات | P = 30.0kn ، لا يجب أن تظهر المشبك الشفة أي مجموعة دائمة. |
| العينة رقم/اختبار النتائج | - |
| 1 ، 2 | لم يظهر المشبك أي مجموعة دائمة. |
| 3،4 | لم يظهر المشبك أي مجموعة دائمة. |
| 5،6 | لم يظهر المشبك أي مجموعة دائمة. |
| 7،8 | لم يظهر المشبك أي مجموعة دائمة. |
| 9،10 | لم يظهر المشبك أي مجموعة دائمة. |
| 11،12 | لم يظهر المشبك أي مجموعة دائمة. |
| خاتمة | يمر |
| اختبار البند | نتيجة الاختبار | الشرط في AS/NZS 1576.2: 2016 البند 4.7 | خاتمة |
| اختبار الانزلاق من خلال المشابك الحافة | P = 12.5kn ، slippage <6mm | p = 12.5kn ، الانزلاق ≤ 6mm | يمر |
| اختبار البند | اختبار الانزلاق من خلال المشابك الحافة |
| متطلبات | p = 12.5kn ، الانزلاق ≤ 6mm |
| عينة رقم/اختبار النتائج | الانزلاق (مم) |
| 13 ، 14 | 0.02 |
| 15 ، 16 | 0.01 |
| 17 ، 18 | 0.03 |
| 19 ، 20 | 0.02 |
| 21 ، 22 | 0.04 |
| 23 ، 24 | 0.02 |
| خاتمة | يمر |
| اختبار البند | نتيجة الاختبار | الشرط في AS/NZS 1576.2: 2016 البند 4.7 | خاتمة |
| اختبار الانزلاق من المشابك الحافة على طول شفة | P = 12.5kn ، slippage <6mm | p = 12.5kn ، الانزلاق ≤ 6mm | يمر |
| اختبار البند | اختبار الانزلاق من المشابك الحافة على طول شفة |
| متطلبات | p = 12.5kn ، الانزلاق ≤ 6mm |
| عينة رقم/اختبار النتائج | الانزلاق (مم) |
| 25 | 0.58 |
| 26 | 0.62 |
| 27 | 0.49 |
| 28 | 0.41 |
| 29 | 0.67 |
| 30 | 0.61 |
| 31 | 0.53 |
| 32 | 0.51 |
| 33 | 0.67 |
| 34 | 0.53 |
| 35 | 0.48 |
| 36 | 0.56 |
| خاتمة | يمر |
| لا. | اختبار البند | طريقة الاختبار | نتيجة | خاتمة |
| 1 | قوة الفشل | مع الإشارة إلى EN 74-1: 2022 البند 7.2.2 | انظر النتيجة | ن/أ |
| العينة رقم | أقصى تحميل اختبار (KN) | وضع الفشل |
| 1 | 50.23 | تم كسر ثقب المرساة على اللوحة |
| 2 | 48.57 | تم كسر ثقب المرساة على اللوحة |
| 3 | 51.59 | تم كسر ثقب المرساة على اللوحة |
| 4 | 50.64 | تم كسر ثقب المرساة على اللوحة |
| 5 | 51.17 | تم كسر ثقب المرساة على اللوحة |
ملخص النتائج:
| لا. | اختبار البند | طريقة الاختبار |
| 1 | قوة الفشل | مع الإشارة إلى EN 74-1: 2005 |
نتائج الاختبار:
| اختبار البند | نتيجة الاختبار | |||||
| 1# | 3# | 3# | 4# | 5# | FP ، 5 ٪/γR2 | |
| قوة الفشل (KN) | 42.84 | 38.89 | 43.60 | 42.91 | 40.79 | 29.8 |
| تحميل |
|---|
حقوق الطبع والنشر © 2016 - 2022 EK Metalwork Co. ، Ltd. جميع الحقوق محفوظة.
